国土交通大臣認定工法
![]() |
![]() |
認定範囲等
砂質地盤(礫質地盤を含む) | 先端地盤 | 粘土質地盤 |
---|---|---|
TACP-0479 | 認定番号 | TACP-0480 |
596-1号 平成27年6月26日 |
国住指第 | 597-1号 平成27年6月26日 |
5≦N値≦60 | 先端N値 | 4≦N値≦60 |
φ101.6~φ457.2 | 鋼管径 D | φ101.6~φ457.2 |
φ200~φ1150 | 拡翼径 Dw | φ200~φ1150 |
各種杭径 130D以下 | 最大施工深さ | 各種杭径 130D以下 |
床面積の合計が 50,000m2以下の 建築物 |
適用する建築物の規模 | 床面積の合計が 50,000m2以下の 建築物 |
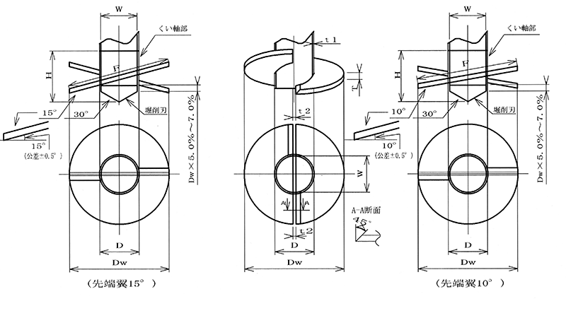
杭先端部形状

工法の概要(施工順序)
ガイア F-1 パイル工法は、鋼管の先端部分に半円形の拡翼および三角形の鉛直掘削刃を取り付けた杭を回転貫入させるものである。試験杭は、地盤調査地点近傍に施工し、その時の回転貫入オーガ圧トルク値を本杭の施工管理に用いる。ガイア F-1 パイル工法の施工方法は、次の6つの工程で行う。

① 杭の建て込み
杭を吊り込んで杭先端を杭芯に合わせる。
② 杭のセット
杭芯へのセット終了後、鉛直性を確認し、杭が移動しないように振れ止め装置をセットする。
③ 回転貫入開始
杭を正回転(右回転)させ、拡翼の推進力と、必要に応じてPを加えて杭を貫入させる。
④ 継手作業
1本目を回転貫入したら、2本目以降は溶接により継ぎ足しを行い、順次回転貫入させる。
⑤ 回転貫入完了
ヤットコを用いて所定の深度まで回転貫入させ、指標値が管理値を超えていることを確認して回転貫入を完了する。ただし、試験杭施工時にはヤットコを用いない。
⑥ 施工完了
ヤットコを逆回転(左回転)させて引抜き、施工を完了する。
地盤から決まる許容鉛直支持力

短期(鉛直)許容支持力 = 2.0 × 長期(鉛直)許容支持力
記号の説明
α
:杭の先端支持力係数 砂質地盤(α=270) 粘土質(α=270)
β
:砂質地盤における杭周面摩擦力係数(β=0.7)
γ
:粘土質地盤における杭周面摩擦力係数(γ=0.2)
N
:基礎杭の先端より下方に 1Dw、上方に 1Dwの範囲の地盤の標準貫入試験による打撃回数の平均値(回)
(先端:杭本体鋼鉄管部の下端 Dw:拡翼の直径)
ただし、砂質地盤 5≦N値≦60 粘土質地盤 4≦N値≦60
(先端:杭本体鋼鉄管部の下端 Dw:拡翼の直径)
ただし、砂質地盤 5≦N値≦60 粘土質地盤 4≦N値≦60
Ap
:基礎杭の先端の有効断面積(m2)
Ap=π・D2/4+0.43(π・Dw2/4-π・D2/4(D:軸部の杭径)
Ap=π・D2/4+0.43(π・Dw2/4-π・D2/4(D:軸部の杭径)
Ns
:基礎杭の周囲の地盤のうち砂質地盤の標準貫入試験による打撃回数の平均値(回)
ただし、5≦Ns≦30
ただし、5≦Ns≦30
Ls
:基礎杭の周囲の地盤のうち砂質地盤に接する有効長さの合計(m)
ただし、有効長さは杭先端から 1Dwの区間を除く
ただし、有効長さは杭先端から 1Dwの区間を除く
qu
:基礎杭の周囲の地盤のうち粘土質地盤の一軸圧縮強度の平均値(kN/m2)
ただし、50≦qu≦200
ただし、50≦qu≦200
Lc
:基礎杭の周囲の地盤のうち粘土質地盤に接する有効長さの合計(m)
ただし、有効長さは杭先端から 1Dwの区間を除く
ただし、有効長さは杭先端から 1Dwの区間を除く
ψ
:基礎杭の周囲の有効長さ(m) ψ=πD
材料から決まる許容鉛直支持力

短期(鉛直)許容支持力 = 1.5 × 長期(鉛直)許容支持力
記号の説明
Ra
:杭材料から決まる長期許容鉛直支持力(kN)
F"
:設計基準強度(N/mm2) F"=(0.8+2.5te/r) FかつF"≦235[325]
F
:杭材料の許容基準強度(235N/mm2) [325N/mm2]
[ ]内は STK490
[ ]内は STK490
te
:腐食しろ(外面1mm)を除いた杭厚(mm2)
r
:杭の半径(mm)
Ae
:腐食しろを除いた杭の断面積(mm2)
α1
:継手による逓減率(0.05/1カ所)
α2
:細長比による逓減率(L/D>100の場合、(L/D-100)/100)
L:杭長(m)、D:杭軸径(m)
L:杭長(m)、D:杭軸径(m)
※ α1及びα2は必要に応じて考慮する。
コンパクトな施工機
近接作業距離表
メーカー | 日 本 車 輛 | ||||
型 式 | DHJ-08 | DHJ-12 | DHJ-15 | DHJ-25 | DHJ-45 |
近接施工距離 (e) |
0.5(m) | 0.5(m) | 0.5(m) | 0.7(m) | 0.8(m) |
搬入路幅 (RW1) |
3.0(m) | 3.5(m) | 3.5(m) | 4.0(m) | 4.6(m) |
搬入路幅 (RW2) |
3.0(m) | 3.5(m) | 3.5(m) | 4.0(m) | 4.6(m) |
全装備重量 | 9.4(t) | 13.8(t) | 16.6(t) | 29.5(t) | 54.8(t) |
近接最少作業図

最小自走行図

施工機械
小型鋼管杭回転貫入機能力(例)
メーカー | 日 本 車 輛 | |||||
型式 | DHJ-08 | DHJ-12 | DHJ-15 | DHJ-25 | DHJ-45 | |
定格トルク高速/低速 | 14/42 (kN・m) |
16/98 (kN・m) |
15/139 (kN・m) |
30/276 (kN・m) |
41/548 (kN・m) |
|
寸 法 |
全長(L) | 3.95(m) | 5.04(m) | 5.29(m) | 5.99(m) | 7.54(m) |
前部(L1) | 2.20(m) | 2.80(m) | 2.93(m) | 3.39(m) | 4.10(m) | |
後部(L2) | 1.75(m) | 2.24(m) | 2.36(m) | 2.60(m) | 3.44(m) | |
全高(H) | 9.71(m) | 9.00(m) | 10.63(m) | 14.69(m) | 16.52(m) | |
オーガー高(H1) | 1.24(m) | 1.50(m) | 1.95(m) | 1.97(m) | 3.02(m) | |
オーガーストローク(S) | 6.30(m) | 6.90(m) | 7.09(m) | 10.76(m) | 10.9(m) | |
ヤットコロッド(H2) | 1.16(m) | なし | 1.38(m) | 1.63(m) | 1.91(m) | |
全幅(W) | 1.95(m) | 2.42(m) | 2.50(m) | 2.50(m) | 3.1(m) | |
旋回半径(R) | 1.92(m) | 2.24(m) | 2.36(m) | 2.60(m) | 3.44(m) | |
輸送時全長(Lt) | 8.02(m) | 8.69(m) | 8.90(m) | 11.44(m) | 12.0(m) | |
輸送時全高(Ht) | 2.71(m) | 2.79(m) | 2.80(m) | 3.08(m) | 3.08(m) | |
全装備重量 | 9.4(t) | 14.4(t) | 17.5(t) | 33.0(t) | 54.8(t) | |
適用杭径(mm) | ~φ165.2 | ~φ267.4 | ~φ318.5 | ~φ500.0 | ~φ600.0 |
重機の外観および寸法の例を下図に示す。

施工方法
